188彩票KNKE气动高真空蝶阀,Pneumatic high vacuum butterfly valve,由气动执行器和真空蝶阀组成,适用于高真空系统中用来接通或截止气流之用。气动高真空蝶阀以压缩空气为动力,通过电磁换向阀改变气路方向,执行气缸推动,使固定在转动轴上的阀板旋转90°实现阀门的开启和关闭。
阀体的阀板采用夹紧结构,把阀板的密封圈夹紧,除了能用在真空状态下,也能用在低压状态下使用。高真空电动蝶阀用于接通或切断真空管路中的气流。高真空蝶阀是利用电动装置驱动阀板做开启或关闭动作,达到接通或切断真空管路中气流的目的一种装置。它适用的介质为空气及非腐蚀性气体。阀门漏率:≤1.3×10-5Pa.L/S。广泛应用于真空获得设备、新能源及半导体产业。
进口气动真空蝶阀性能规格型号参数


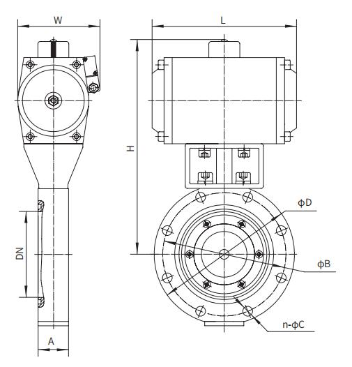
进口气动真空蝶阀连接及外形尺寸

















全国服务热线
