188彩票KNKE真空蝶阀,Vacuum butterfly valve,也叫高真空蝶阀,真空负压蝶阀,是用来接通或切断真空管路中的气流,蝶阀的阀板采用夹紧结构,把阀板的密封圈夹紧,起到更好的密封作用。阀门开闭有锁定功能。
真空蝶阀适用的工作介质为空气和非腐蚀性气体。化工、建材、电站、玻璃等行业中的通风、环保工程的含尘冷风或热风气体管道中,作为气体介质调节流量或切断装置。
进口真空蝶阀型号规格性能参数


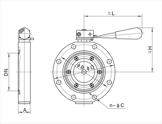
进口真空蝶阀连接及外形尺寸

188彩票KNKE真空蝶阀,Vacuum butterfly valve,也叫高真空蝶阀,真空负压蝶阀,是用来接通或切断真空管路中的气流,蝶阀的阀板采用夹紧结构,把阀板的密封圈夹紧,起到更好的密封作用。阀门开闭有锁定功能。真空蝶阀适用的工作介质为空气和非腐蚀性气体。化工、建材、电站、玻璃等行业中的通风、环保工程的含尘冷风或热风气体管道中,作为气体介质调节流量或切断装置。进口真空蝶阀型号规格性能参数进口...
188彩票KNKE全球应用案例和合作伙伴

188彩票KNKE真空蝶阀,Vacuum butterfly valve,也叫高真空蝶阀,真空负压蝶阀,是用来接通或切断真空管路中的气流,蝶阀的阀板采用夹紧结构,把阀板的密封圈夹紧,起到更好的密封作用。阀门开闭有锁定功能。
真空蝶阀适用的工作介质为空气和非腐蚀性气体。化工、建材、电站、玻璃等行业中的通风、环保工程的含尘冷风或热风气体管道中,作为气体介质调节流量或切断装置。


