188彩票KNKE电磁真空带充气阀,Electromagnetic vacuum charging valve,是安装在机械式真空泵上的专用阀门。阀门与泵接在同一电源上,泵的开启与停止直接控制了阀的开启与关闭。当泵停止工作或电源突然中断时,阀能自动将真空系统封闭,并将大气通过泵的进气口充入泵腔,避免泵油返流污染真空系统。
适用的工作介质为空气及非腐蚀性气体。
electro-vacuum charging valve is a safety valve for vacuum, pump. It is mounted at the intake nozzle of vacuum pump, synchronously opened and closed with the vacuum pump. In case that vacuum pump stops working or power supply is suddenly broken off, valve will be cosed automatically to keep the vacuum system vacuum and the air charged into the cavity of vacuum pump, thus to prevent pump oil from reverse flow that can pollute the vacuum system. Applicable medium can be pure air and noncorrosive gases.
进口电磁真空带充气阀性能规格型号参数


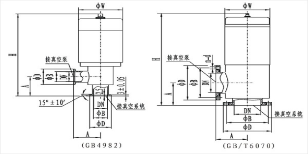
进口电磁真空带充气阀连接及外形尺寸(GB/T6070





全国服务热线
