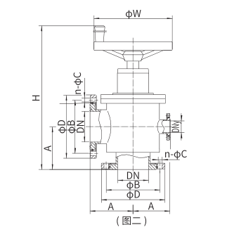
188彩票KNRE高真空挡板阀,High vacuum flapper valve,又称角阀,用于接通或切断真空管路中的气流。适用介质为纯净空气和非腐蚀性气体。高真空挡板阀按轴封结构可分GD-J型橡胶轴封和GD-J(b)型波纹管轴封两种。按通导形式可分GD-J为角通型式,GD-S为带预抽口的三通型式。
High Vacuum Flapper Valve
K-GD high vacuum flapper valve is used to put through or cut off the airflow in vacuum pipeline. Applicable medium can be pure air and noncorrosive gases. According to its shaft seal structure, high vacuum flapper valve is classified into GD-J rubber shaft seal type and GD-J(b)bellows shaft seal type. According to its put-through type, it is classified into GD-J angle type and GD-S three-way type with prepumping.
高真空挡板阀适用的工作介质为空气、非腐蚀性及不含颗粒灰尘的真空气体。
进口高真空挡板阀性能规格型号参数















全国服务热线
