188彩票KNKE电动高真空蝶阀,Electric high vacuum butterfly valve,采用回转型电动、电子调节式阀门驱动装置,可以通过外接电源的切换(用手动转位开关或电脑控制)或外部输入信号,来实现阀门开、关或中间位置的控制,从而达到接通或切断真空管路中气流的目的。
电动高真空蝶阀适用的工作介质为空气和非腐蚀性气体。广泛应用于煤化工、石油化工、橡胶、造纸、制药等管道中真空介质的开关或者调节。
进口电动真空蝶阀性能规格型号参数


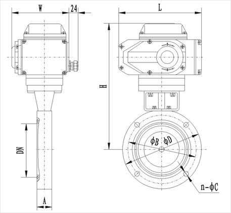
进口电动真空蝶阀连接及外形尺寸

188彩票KNKE电动高真空蝶阀,Electric high vacuum butterfly valve,采用回转型电动、电子调节式阀门驱动装置,可以通过外接电源的切换(用手动转位开关或电脑控制)或外部输入信号,来实现阀门开、关或中间位置的控制,从而达到接通或切断真空管路中气流的目的。 电动高真空蝶阀适用的工作介质为空气和非腐蚀性气体。广泛应用于煤化工、石油化工、橡胶、造纸、制药等管道中真空介质的开...
188彩票KNKE全球应用案例和合作伙伴

188彩票KNKE电动高真空蝶阀,Electric high vacuum butterfly valve,采用回转型电动、电子调节式阀门驱动装置,可以通过外接电源的切换(用手动转位开关或电脑控制)或外部输入信号,来实现阀门开、关或中间位置的控制,从而达到接通或切断真空管路中气流的目的。
电动高真空蝶阀适用的工作介质为空气和非腐蚀性气体。广泛应用于煤化工、石油化工、橡胶、造纸、制药等管道中真空介质的开关或者调节。



全国服务热线