188彩票KNKE气动真空球阀,Pneumatic vacuum ball valve,是指由188彩票KNKE气动执行器和真空法兰球阀组成,可以气动控制开关或者调节的真空阀门,是在1.3×10-7~6×105Pa的真空系统中用来开启或隔断气流的气动阀门,气动真空球阀适用气体,液体等正/负压力管道系统,适用于真空系统中接通或切断管路中的介质流。
球阀以压缩空气为动力,通过控制气动元件来改变气路方向,推动活塞齿条、齿轮的机械传动,以角行程输出扭矩来驱动球阀作启闭运动。阀门为直通式,靠球面密封,因而既能用在真空状态下,也能在低压状态下使用,并可任意位置安装。气缸分为双作用和单作用(弹簧复位),真空球阀配上气动执行器与电气阀门定位器配套,输入4~20mADC信号及0.5~0.7Mpa气源即可控制运转,实现对压力、流量、温度、液位等参数的调节。它是以压缩空气为动力,阀杆带动阀芯在阀体内转动90°,可以实现全开-全闭的动作。进口气动真空球阀按其密封性能分为金属密封与软密封。
进口气动真空球阀适用的工作介质为带酸、碱性的气体或液体。
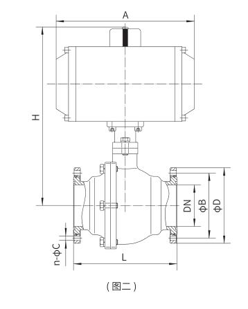
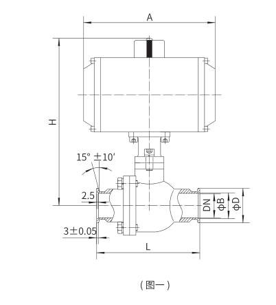
进口气动真空球阀主要技术性能




进口气动真空球阀快卸法兰(KF)连接及外形尺寸(GB4982)
















全国服务热线
