188彩票KNKE真空球阀,Vacuum ball valve,也叫高真空球阀,真空负压球阀,是指是指工作压力低于标准大气压的,形成一定真空的球阀,采用活套法兰连接或者KF快卸法兰的真空球阀,适用于真空系统中接通或切断管路的介质流。球阀为直通式手动球阀,靠球面密封,既能用在真空状态下,也能在低压状态下使用,并可任意位置安装达到接通或切断真空系统管道路中的介质流。应用于真空、乳制品、酒业、生物工程、食品、制药、饮料、化妆品及化工领域。
进口真空法兰球阀适用的工作介质为带酸、碱性的气体或液体。
进口真空法兰球阀主要技术性能


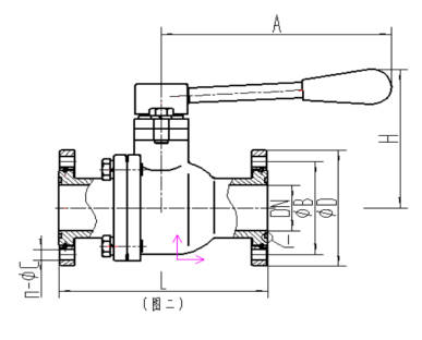
活套法兰连接及外形尺寸(GB/T6070)


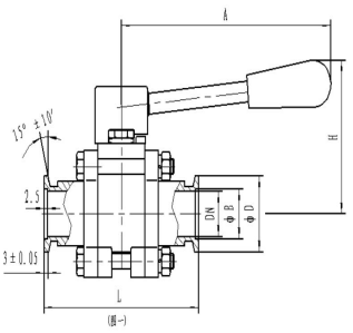
进口真空法兰球阀快卸法兰(KF)连接及外形尺寸(GB4982)
















全国服务热线
