188彩票KNKE的HC41X节能消声止回阀,Silencing check valve,适用于给排水管道,阀瓣采用进1口两端中心轴导向,启闭灵活,可水平安装或垂直安装。阀瓣采用弹簧加载,其快速关闭能有效的消除水锤,密封性能好,关闭无噪声。它具有体积小、重量轻、流体阻力小,耐疲劳、寿命较长等优点。
消声止回阀结构及用途
1、阀体内腔采用流线型设计,流量设计,减少急弯、拐角、尖凸,从而减少流体的阻力。
2、阀瓣前后设计为锥形,使流体阻力减少,又减少了因紊流所产生的噪声。
3、阀瓣关闭的行程短,只有公称通径的1/4,减少了阀瓣的关闭时间,减少了水锤的产生。
4、阀使用弹簧加速阀瓣关闭速度、降低水锤产生。
5、阀瓣为空心薄壳结构,减少阀瓣的惯性,不但使阀瓣关闭时能迅速启动,也减少了关闭时的冲击噪声
6、本产品可以垂直、水平、倾斜以及任何角度安装。
7、本产品结构紧凑、零件少、体积小、重量轻、外型美观。
8、内外表面均喷涂涂层,确保产品的防腐蚀及安全性。
消声止回阀主要技术参数
公称压力:1.0~1.6MPa
公称通经:40~600mm
适用介质:水及弱腐蚀性流体
适用温度:0~80℃
法兰标准:GB/T 17241.6 GB/T 9113
试验标准:GB/T 13927 AP 1598

消声止回阀主要零部件材料
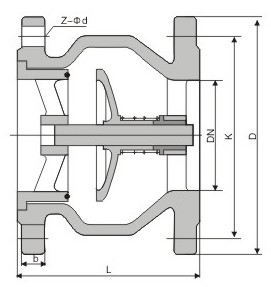
消声止回阀产品结构图及主要外形连接尺寸单位










全国服务热线
