DRVZ、H42X静音止回阀,Silent check valve,主要由阀体、阀座、导流体、阎瓣、轴承及弹簧等主要零件组成,内部流道采用流线型设计压力损失小。阀瓣启闭行程很短停泵时可快速关闭防止水锤声具有静音关闭的特点。该阀主要用于给排水、消防、暖通系统可安装于水泵出口处以防止倒流及水锤对泵的损害。
静音止回阀主要技术参数

静音止回阀主要零部件材料

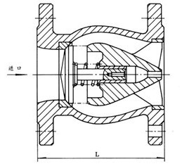
结构图及主要外形尺寸(法兰尺寸1.0MPa按GB4216.84标准, PNl.6MPa按GB4216.5-84标准,PN2.5MPa按GB9113.4 88标准):









全国服务热线
