188彩票KNKE的400X流量控制阀,Flow control valve,是一种采用先导式方式控制流量的多功能阀门。适用于配水管需控制流量和压力的管路中,保持预定流量不变,将过大流量限制在一个预定值,并将上游高压适当臧低,即使主阀上游的压力发生变化,也不会影响主阀下游的流量。400X流量控制阀一改常规节流阀使用孔板或纯机械地臧小流域面积的原理,利用相关导阀,大限度地减少能量在节流过程中的损失。如遇紧急情况400X流量控制阀可以截止流量避免损失。400X流量控制阀控制灵敏度高,调试简便。
188彩票KNKE的400X流量控制阀,是一种采用高精度先导式方式控制流量的多功能阀门。适用于配水管需控制流量和压力的管路中,保持预定流量不变,将过大流量限制在一个预定值,并将上游高压适当减低,即使主阀上游的压力发生变化,也不会影响主阀下游的流量。该阀一改常规节流阀使用孔板或纯机械地减小流域面积的原理,利用相关导阀,最大限度地减少能量在节流过程中的损失。如遇紧急情况400XA流量控制阀可以完全截止流量,避免损失。400X流量控制阀控制灵敏度高,安全可靠,调试简便,使用寿命长。
400X流量控制阀压力测试

400X流量控制阀结构特点和用途
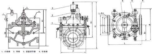
400X流量控制阀由主阀、流量调节阀、针阀、导阀、球阀、微形过滤器和压力表组成水力控制接管系统。利用水力自动操作,控制和调节主阀开度,使通过主阀的流量保持不变。400X流量控制阀利用水力自力控制,不需要其它装置和能源,保养简便,流量控制稳定。本系列400x流量控制阀产品用于高层建筑、生活区等供水管网系统及城市供水工程。
400X流量控制阀主要零件材料

400X流量控制阀工作原理
当阀门从阀前端给水时,水流过针阀进入主阀控制室,并经过导阀、球阀流出主阀控制室到出口,此时主阀处于全开或浮动状态。调定主阀上部的流量调节阀,可为主阀设定一定开度。调节针阀开度和调节导阀弹簧压力,可使主阀开度保持在设定开度,并在压力变化时导阀进行自动调节,保持流量不变。
400X流量控制阀结构图

400X流量控制阀连接尺寸(PN 1.0-2.5MPa)








全国服务热线
