188彩票KNKE的600X电动控制阀,Electric control valve,由主阀、电磁导阀、针阀、球阀、微形过滤器和压力表组成水力控制接管系统。通过电磁导阀可以实现对阀门开启和关闭的遥控。加装附加装置后,可控制开启和关闭的速度。电控水力控制阀利用导阀控制阀门的开启和关闭,节省能源。可代替其它阀门大型电动装置。电控水力控制阀产品用于高层建筑、生活区等供水管网系统及城市供水工程。
188彩票KNKE的600X电动控制阀是一种以电磁阀为向导阀的水力操作式阀门。常用于给排水及工业系统中的自动控制,控制反应准确快速,根据电信号遥控开启和关闭管路系统,实现远程操作。188彩票KNKE的600X电动控制阀可取代闸阀和蝶阀用于大型电动操作系统。阀门关闭速度可调,平稳关闭而不产生压力波动。该阀门体积小、重量轻、维修简单、使用方便.电磁阀可选用交流电220V,或直流电24V,可根据场合选用常开或常闭型均可。
600X电动控制阀工作原理
当阀门从阀前端给水时,水流流过针阀进入主阀控制室,当电磁导阀打开时,控制室内的水经电磁导阀、球阀流出。球阀开度大于针阀开度,主阀控制室内压力很低,主阀处于全开状态。当电磁导阀关闭时,主阀控制室的水不能流出,控制室升压,推动膜片关闭主阀。
600X电动控制阀压力测试

600X电动控制阀零部件材料

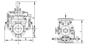
600X电动控制阀结构图

600X电动控制阀主要连接尺寸(PN 1.0-2.5MPa)

600X电动控制阀安装示意图

















全国服务热线
