188彩票KNKE的800X压差旁通平衡阀,Differential pressure bypass balance valve,是一种用于空调系统供/回水之间以平衡压差的阀门。该阀门可符合系统的利用率,保持压差的恒定值,并可降低系统的噪音,以及过大压差对设备造成的损坏。800X压差旁通平衡阀相较于其他平衡阀的地方在于它没有执行机构,靠介质自身的压力差来达到平衡系统的功能,节约能源及安装空间,是一种智能型阀。
188彩票KNKE的800X压差平衡阀是一种用于空调系统供/回水之间以平衡压差的阀门。该阀门可提高系统的利用率,保持压差的精确恒定值,并可最大限度地降低系统的噪音,以及过大压差对设备造成的损坏。800X压差平衡阀优越于其他平衡阀的地方在于它没有执行机构,完全靠介质自身的压力差来达到平衡系统的功能,节约能源及安装空间,是一种智能型阀门。
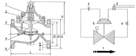
800X压差旁通平衡阀结构特点和用途
800X压差调节阀由主阀、压差控制导阀、针阀、球阀、微形过滤器和压力表组成水力控制接管系统。通过设计的导阀控制室,对压力变化信号进行比较,输出主阀开度信号,控制主阀开度,从而控制主阀的进出口压差在设定值上。本产品利用水力自力控制,不需要其它装置和能源,保养简便。本系列阀门产品用于高层建筑、生活区等供水管网系统及城市供水工程。
800X压差旁通平衡阀工作原理
当主阀进出口间压差变化时,接管A与接管B间压差发生变化,此压差通过接管作用于导阀膜片两侧,改变导阀的开度。压差大时导阀开度大,控制室通过C管的下泄水量增大,主阀控制室压压力下降,主阀开度增大,主阀进出口间压差变小。反之,若主阀进出口间压差变小,则导阀开度变小,主阀控制室压力上升,推动主阀开度减小而使主阀压差增大。这种负反馈作用使主阀进出口间压差稳定在设定值上。设定针阀开度和导阀弹簧压力可设定主阀进出口间压差。
800X压差旁通平衡阀技术参数

800X压差旁通平衡阀零件材料

800X压差旁通平衡阀主要外形连接尺寸:单位:mm

结构组成部分:1、主阀 2、针型阀 3、向导阀 4、球阀 5、压力表














全国服务热线
