188彩票KNKE的200X减压稳压阀,reducing and stabilizing valve,由主阀、导阀、针阀、球阀、微型过滤器和压力表组成水力控制接管系统。使用时,当调定出口压力后,能自动保持稳定出口压力。
200X减压阀,是一种利用介质自身能量来调节与控制管路压力的智能型阀门。200X减压阀用于生活给水、消防给水及其他工业给水系统,通过调节减压导阀,即可调节主阀的出口压力。出口压力不因进口压力、进口流量的变化而变化,安全可靠地将出口压力维持在设定值上,并可根据需要调节设定值以达到减压目的。该阀减压精确,性能稳定、安全可靠、安装调节方便,使用寿命长。
200X减压稳压阀工作原理
当阀门从阀前端给水时,水流过针阀进入主阀控制室,出口压力通过导管作用到导阀上。当出口压力高于导阀弹簧设定值时,导阀关闭。控制室停止排水,此时主阀控制室内压力升高并关闭主阀,出口压力不再升高。当阀门出口压力降到导阀弹簧设定压力时,导阀开启,控制室向下游排水。由于导阀系统排水量大于针阀的进水量,主阀控制室压力下降。阀前压力使主阀开启。在稳定状态下,控制室进水、排水相同,主阀开度不变,出口压力稳定。
调节导阀弹簧可设定出口压力。本产品利用导阀自力控制,不需要其它装置和能源,保养简便,压力控制准确度高,受阀前压力和流量影响小,减压稳压较好。188彩票KNKE的200X减压稳压阀用于高层建筑、生活区等供水管网系统及城市供水工程。
200X减压稳压阀压力测试

200X减压稳压阀零件材料

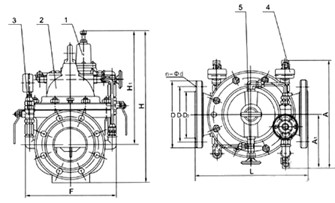
200X减压稳压阀结构图
200X减压稳压阀连接尺寸


















全国服务热线
